首 页
|
单位简介
|
通知公告
|
业务指南
|
行业新闻
|
统计信息
|
维修资金
|
住房保障
|
政策法规
|
下载中心
|
留言反馈
|
网上签约
通知公告
公告
通知
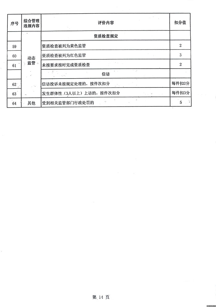
福建省房地产开发企业信用综合评价办法(试行)
2015年11月19日 17:23 来源: